Sun Microsystems, Inc.
spacer spacer
spacer   Sun System Handbook Home | Systems | Components | General Info | Search | Feedback 
spacer
black dot
 
black fade
 

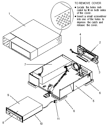
Desktop SunCD Pack

558 559
SunCD CD-ROM SunCD CD-ROM

CODE PART # DESCRIPTION
1 540-1778 Cover Assembly, Tape and CD-ROM
2
3
3
4
NS
NS
540-1978
150-1557
150-2049
540-1802
150-1174
340-2839
Fan/SCSI Connector/Address Select Assembly/FRU
Address Select Switch (obsolete)
Address Select Switch
Fan Assembly
2A Subminiature Fuse
Fan EMI Gasket
5
6
540-1773
330-1214
Base Assembly
Rubber Foot
7
7
7
300-1037
300-1090
300-1105
35 Watt Power Supply (obsolete) 1
35 Watt Power Supply (obsolete)
44 Watt Power Supply
8
9
10
11
11
NS
540-1931
370-1312
340-1967
530-1454
530-1825
240-1141
CD-ROM Assembly
Sony CDU-8012 CD-ROM
Drive Bracket
Address Select Switch Cable, 5.25"
Address Select Switch Cable, 8.5"
#6-32 × 1/4" Screw
NS 150-1346 External Terminator, HD50
NS 150-1785 External Active Terminator, HD50
NS 530-1434 External SCSI Cable, HD50 to HD50, 45 cm
NS 530-1435 External SCSI Cable, HD50 to DD-50SA, 2.0M
NS 530-1508 External SCSI Cable, HD50 to HD50, 80 cm
NS 530-1593 External SCSI Cable, HD50 to DD-50SA, 1.0M
NS 530-1792 External SCSI Cable, HD50 to DD-50SA, 2.0M
NS 530-1793 External SCSI Cable, HD50 to HD50, 80 cm
NS 530-1829 External SCSI Cable, HD50 to DD-50SA, 1.0M
NS 530-1836 External SCSI Cable, HD50 to HD50, 2.0M
NS 530-1852 External SCSI Cable, HD50 to HD50, 4.0M
NS
NS
555-1154
370-1316
Caddy 3-Pack
Caddy
NS 800-4895 Desktop Storage Pack Field Service Manual

  1. Power Supply 300-1037 does not have IEC950 or UL1950 approval.
    Do NOT install 300-1037 into options manufactured after March 1991.

WebToneWebToneWebToneWebTone
 Copyright 1994-2003 Sun Microsystems, Inc.,  901 San Antonio Road, Palo Alto, CA 94303 USA.  All rights reserved.
 Legal Terms Privacy Policy Feedback