Sun Microsystems, Inc.
spacer spacer
spacer   Sun System Handbook Home | Systems | Components | General Info | Search | Feedback 
spacer
black dot
 
black fade
 

Sun Enterprise[tm] 220R Server - System Breakdown

E220R Home Page
Service Views
Front
Front Open
Top
Rear
Components
Full Components List
Boot PROM
Communication
CPU Module
Disks
Ethernet
Fibre Channel
Graphics
IDPROM
Memory
Miscellaneous
Power
Rack Mount Kit
Removable Media
SCSI
System Board
System Breakdown
Exploded View
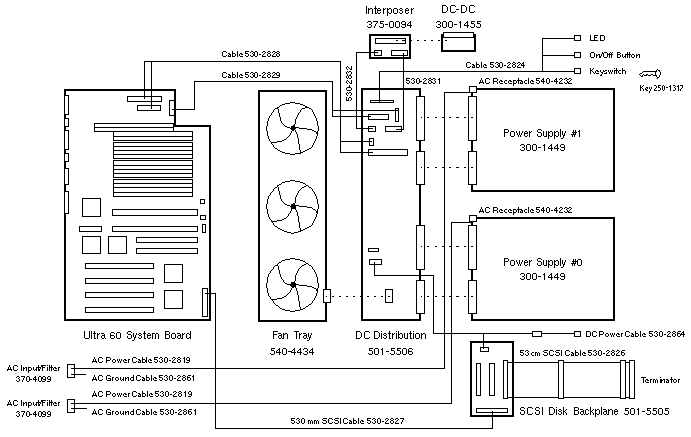
Wiring Diagram
Wiring Diagram


WebToneWebToneWebToneWebTone
 Copyright 1994-2003 Sun Microsystems, Inc.,  901 San Antonio Road, Palo Alto, CA 94303 USA.  All rights reserved.
 Legal Terms Privacy Policy Feedback