Sun Microsystems, Inc.
spacer spacer
spacer   Sun System Handbook Home | Systems | Components | General Info | Search | Feedback 
spacer
black dot
 
black fade
 

Boschert XL520-3625
520 Watt Power Supply

SS630
300-1072

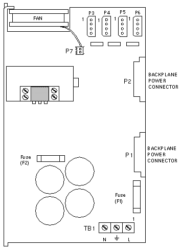
TB1
1 2 3
Brn Grn Wht
LINE GND NEUT

P3 P4 P5 P6
1 2 3 4
Red Blk Blk Org
+5V GND GND 12V

DC Output
+5 -5.2 +12
Analog
-12 +12
Motor
62 4.5 3.0 2.0 10.5

Fuses

F1 = 20 Amps @ 250 Volts
F2 = 10 Amps @ 250 Volts

Note:

Power Supply 300-1034 was used in the Sun-4/330. Upgrades to SS630 may use this older 525 Watt Power Supply.

WebToneWebToneWebToneWebTone
 Copyright 1994-2003 Sun Microsystems, Inc.,  901 San Antonio Road, Palo Alto, CA 94303 USA.  All rights reserved.
 Legal Terms Privacy Policy Feedback