Sun System Handbook
Home
|
Systems
|
Components
|
General Info
|
Search
|
Feedback
HANDBOOK NAVIGATION
Home
Systems
Components
General Info
Search
Feedback
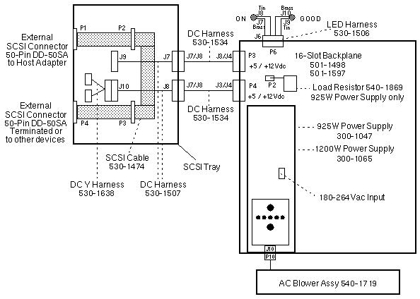
Sun 16-Slot Logic Enclosure Wiring Diagram
Sun-4/390 shipped prior to April 1990
Sun-4/390, Sun-4/490, and SPARCserver 690MP shipped after April 1990
Copyright 1994-2003 Sun Microsystems, Inc.,
901 San Antonio Road, Palo Alto, CA 94303 USA.
All rights reserved.
Legal Terms
Privacy Policy
Feedback